当前位置: 首页 > 实用资料 > 真正通吃16-600Ω耳机的50电子管耳机放大器

文章分类

浏览历史

真正通吃16-600Ω耳机的50电子管耳机放大器
左增军 / 2026-04-06

 

  耳机属于近耳设备,一般灵敏都比较高,有很小的驱动功率就可以推动。早期的耳机大多是高阻抗耳机,近代低阻耳机流行,得益于其便携性和方便性,比如8-16欧姆耳机可以直接插到手机上使用。作为耳机发烧友,手上没有几部耳机可能都觉得不好意思,只是这些耳机的阻抗范围比较大,几十欧姆到300、600欧姆。这里不谈阻抗高低与声音好坏的关系,我的特长是变压器,咱们就谈谈耳机输出牛的阻抗问题,电子管耳放如何匹配发烧友手中的多种阻抗耳机。
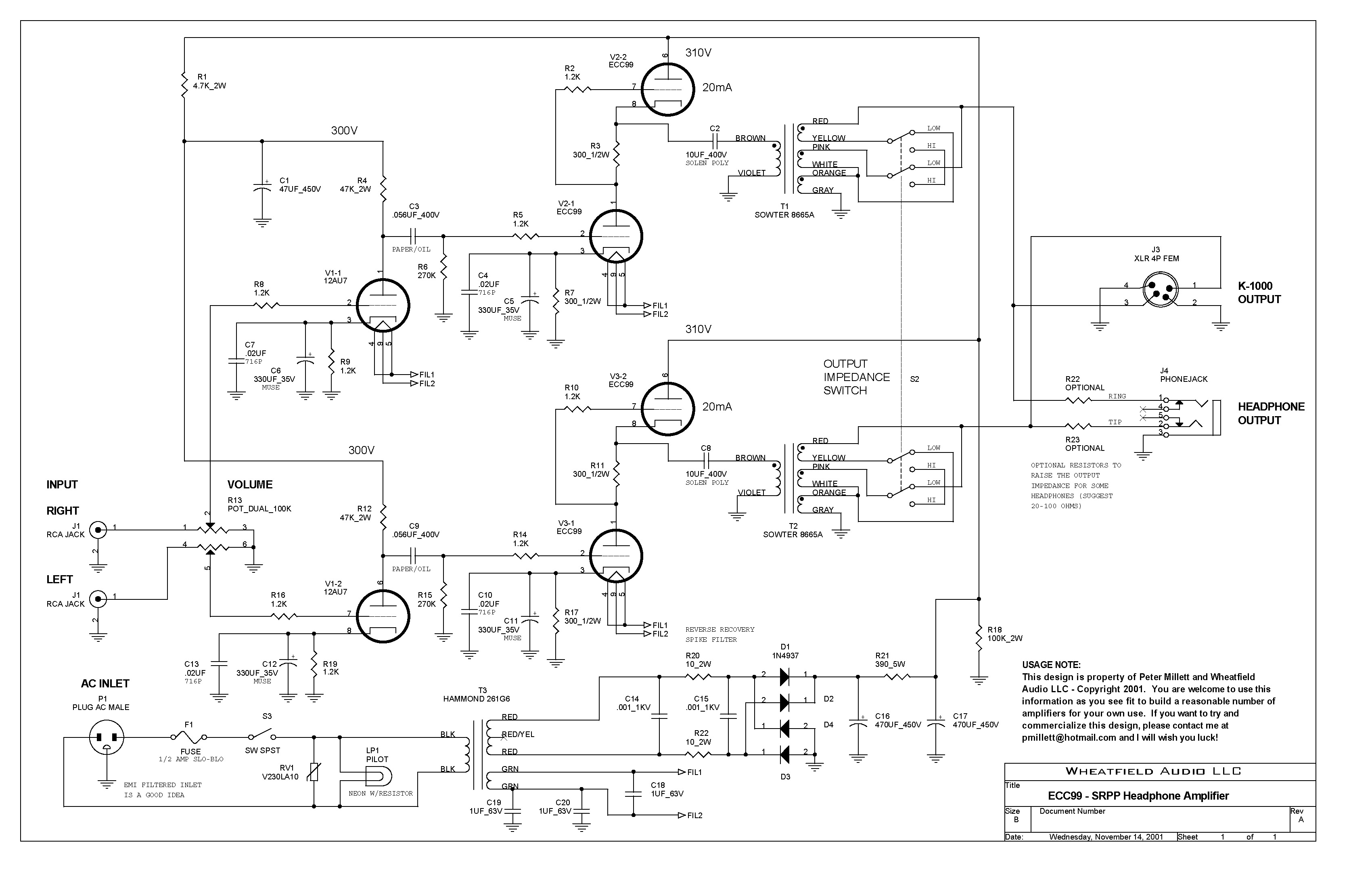
  关于耳机阻抗为什么要与放大器的输出阻抗匹配的问题,大家可能都认为这个必须要匹配才好。至于说为何要匹配,不匹配会有什么问题,这些话题不在本文讨论范围内,大家可以查找相关内容了解,有条件的可以看下油管的视频https://www.youtube.com/watch?v=2YqWCX5WcVg。多年来我制作过各种类型的耳放输出牛,手头也有几款耳机比如森海塞尔的580、Akg的 1000等,主要是早期的产品,近些年没有新购耳机尤其是低阻抗类型的。我没事的时候也经常关注市面上的一些耳机放大器(职业关系),我大概看到,很多耳放并非真正的设计有多输出阻抗选择,或者说并没有真正做到高性能的多阻抗输出。从表面上看起来可以调整,比如像这样的阻抗输出,我认为并不能获得最佳性能,起码在部分阻抗输出时无法获得良好的性能。
  
  为什么会这样说呢?我喜欢用事实、证据说话,采用上面那种输出变压器次级一个绕组多抽头的方式,输出多种耳机阻抗的,想要每个阻抗抽头都能达到最佳,以我专业从事变压器研究制作几十年的我,可以负责任的告诉您,似乎有些难。我之前的文章《品味新一代变压器音量调整的设计》涉及的是此种方式的音量调整,无论是24档甚至48档,亦或是真平衡输出24档x2,在每个抽头都能得到几乎是完美相等的输出,绕制是很复杂的,且是无直流通过的信号耦合牛。对于耳放输出牛,无论是单端或是推挽,在每个抽头都得到相同的频率等特性,几乎是“太难了”。
 
  比如上面这个电路,这样的输出牛想要75欧姆和150欧姆都能获得最佳输出(请注意,75欧姆并不是变压器次级绕组圈数的一半)几乎是做不到的。我来给大家从输出牛设计绕制工艺上分析为何是这样:输出变压器阻抗比最终表现为圈数比,也就是多阻抗输出是由多抽头来确定的。阻抗比、圈数比是平方关系,比如次级600欧姆的圈数为600圈,那么其一半的圈数也就是300圈的阻抗为150Ω。假如耳机阻抗为150Ω,只使用输出牛次级一半也就是300圈,其耦合系数远没有全部圈数耦合的好。且重要的是,剩余一半圈数因为没有接负载,自身分布参数会让谐振增加影响有用绕组输出特性。其实,以上这些假如不从指标测试上看,单从产品性能上说,可能很多人听起来都“差不多”,所以很多电路设计者可能不会费尽周折的“折腾”。对于并不从事变压器专业设计制作的专家来说,基本不会在输出变压器上折腾,宁肯在电路上做一些“处理”。这个“差不多”的概念,也似乎占据了消费者,包括设计、生产的心态。真需要那么认真吗?差不多得了。那些只有高、低阻两档输出,甚至没有输出阻抗选择的耳机放大器,依然在说明中强调耳放要阻抗匹配,否则会有什么不利。。。好与看上去“好”表面上是差不多,只是本质上差很多。
  举个简单的例子,大家都知道有的电源变压器,想要适应110V、220V两种市电的时候,必须是两组相同特性的110V,串联或并联使用,绝对不会采用0-110V-220V这样的绕组结构?为什么呢?不用我说了。说到这里插一句,有的人最基本的电源变压器做不好,却声称自己做的输出牛很好,超过了谁谁。没错,输出牛在实际使用时,就算做的比电源牛差,也不会出现发热、震动等明显、直观的问题,实际听感好坏全凭说,因为有很多人是听不出来的,加上声音本来就是人性化的。
  十几年前德国等国外朋友,就小批量定做次级为37.5Ωx4绕组这样的耳机兼前级输出变压器,国内朋友也一直在寻找可以适应多种阻抗的耳机输出牛。最近闲下来就给大家公开分享一些相关的DIY制作,希望您能喜欢。在我写文章之前,我搜遍了国内国外的相关网站信息,并没有得到一个真正能做到多阻抗输出的应用电路。
 
  上面这个ECC99电路使用了多绕组输出变压器,只可惜仅用波段开关取高、低两种阻抗,并没有充分利用多绕组的串、并联获得多阻抗输出的特性。当然,对于有些次级多绕组的耳放牛,每个独立绕组的特性相差较多者,其效果也无法得到保证,即便是通过串、并联组合,也不会在每个阻抗输出上获得很好的输出特性。我所说的多绕组串、并联,是指次级每个独立绕组都是相同的输出特性时才可以。这又涉及到输出牛设计制作者的“差不多”心态,谁都知道“好”才是好,但要获得好的性能,比如说将效果从80%提升到90%,可能需要再付出50%以上的精力成本。假如再想从90%再提升至95%、99%,可能会再付出100%的精力。假如是您,是否愿意做这个投入呢?“技”不够,“术”来凑,“术”到位,无“技”也可。
  接下来就具体说说,多绕组输出牛如何获得多阻抗输出的。请看下图:这是一个次级4绕组输出牛(暂且不考虑初级阻抗等),且这四个绕组的输出特性是完全相同的,包括直流电阻、频率特性、相位特性等。这样的绕组完全可以放心的串、并联组合,以得到多种种不同的阻抗输出,或者平衡输出,且各阻抗输出时其特性基本相同。假如次级阻抗为37.5Ωx4组,那么通过串并联组合,可以得到:37.5Ω、150Ω、300Ω、600Ω这四种输出阻抗,适宜推动32Ω~600Ω的耳机(那位朋友可能认真了,说你不是主张阻抗匹配吗?怎么37.5Ω输出就可以搭配32Ω常见耳机呢?这个问题想要从根本上说明白,似乎需要较长篇幅解释,今天先搁置这一块儿,有必要的话我再开一篇文章讨论,您可以暂且认为,为了设计上的通用,可以匹配阻抗上下偏差不大的耳机,或者就定做符合自己耳机阻抗的输出牛,这个是支持的)。如果次级阻抗为18.75Ωx4组,那么通过串并联方式,可以得到:18.75Ω、75Ω、150Ω、300Ω四种输出阻抗,适宜推动16Ω~300Ω的耳机。当然,假如您还要更精确、更全面的输出阻抗,可以使用6次级甚至8次级的耳机输出牛,这样完全可以得到16Ω~600Ω的更多种阻抗输出。
 
  看到上图,可能有些人比我聪明,说4x37.5Ω绕组,完全可以用做4x18.5Ω输出,接不同的负载就可以了,何必还要4x37.5Ω、4x18.75Ω两种不同的输出牛呢?这个涉及到初级阻抗问题,如果您的放大器初级阻抗“无所谓”那也就可以随便用、简易用。
  上面图片显示了4个绕组的输出牛,通过串、并联的方式可以获得4种不同的输出阻抗,如果您只有一种阻抗的耳机比如300Ω的,那么就可以按照上面图对应接好线引出即可。那么想要多阻抗输出该怎么办呢?变动那么多抽头有些乱。别急,我这里给大家一个简单的切换绕组串并联的电路(似乎到目前为止还没有人公布出来这样的电路,我这里仅供DIY朋友参考)。请看下图(注:输出牛只标注了输出牛次级阻抗,初级阻抗没有关系,按照自己的电路负载阻抗选择,包括并联馈电(parafeed arrangement)、石机低阻输出等形式都是适用的):
 
  从上图可以看到,输出阻抗选择开关,实际上只是切换施加给继电器的直流电压,切换绕组串并联是通过相应继电器来完成,这样的方式优点有很多,首先说改变输出阻抗变得很简单、彻底抛弃波段开关带来的弊病、降低了干扰、杂音等。继电器可以选择5V或12V微型继电器,也可以根据自己的电路现有的电压选择。我自己用的是DS2Y-S-DC12V,4个继电器耗电甚微,与其他辅助绕组共电,或单独用一片7812稳压供电均可。业余条件DIY,大家完全可以按照上面电路做成一块通用的PCB版,以方便DIY朋友制作~我画电路板的能力很菜,有哪位热心朋友愿意帮忙?画一块通用的板子,方便广大发烧友使用。我自己Diy做实验,直接用树脂板打孔然后焊接,效果一样。
 
  接下来就简单介绍一下这部Type 50 #电子管单端耳放,这是去年专为高端客户定制的。用50 电子管做耳放,也是挑战我自己的一个极限。首先说这个管子声音非常迷人,一二十年前就有烧友找我做50管功放或前级。只是这个管子想真正做好的确有些难度,我每制作、调试好一部要求较高的前级(50电子管做单端、推挽后级功放相对简单很多),都需要大约1-2个月时间(有啥难的?信噪比?加深负反馈就ok,失真?加深负反馈就ok。。。),我主要在意的是整体声音的表现,以此为根基,再调整残留噪音和失真等指标。假如制作出来的50电子管耳放,不保留50管本身的特性,那还不如不做。前几年在制作GM-100大胆的时候~请参考《首台“超级胆机王”打造记~五》,客户等不及就退单了这也是无奈。这次制作50电子管耳放更是费尽精力,用了2个多月的时间。
 
  先把电路分享出来:
 
  电路结构就是典型的共阴放大框架,取其声音耐听的特点,细节之处就是用了专用参数的推动牛(最好不要用常见的推动牛代替),无大环负反馈,只有局部-2.5dB反馈。本来想给输出管使用本级负反馈,实验了多次,包括使用独立的反馈绕组,并不理想。最后通过输出负载稳定功率管的阻抗,效果比较满意。残留噪音在600Ω输出时只有0.1mV,另一只管子为0.2mV,只能说是管子的差异。在低阻抗输出时,残留噪音几乎可以忽略。这样,无论推什么样的高灵敏度的耳机,或者做前级使用都是满足要求的。当然,认真人士可能认为,这样的残留噪音还是不能接受,需要达到0.0几mV,其实这也简单,加深负反馈就可以解决问题~也就是改变一个47k反馈电阻,甚至再施加50管本机负反馈。假如施加深度反馈会自激,那就减小变压器体积和初级电感量(当然还与变压器特性有关)就可解决。本电路最大输出电压12V(1kHz、600Ω),失真4%。输出7V时,失真1%。
  这里并没有公布出来更多指标比如频响等,其实有些指标并没有多少实际意义,当电路采用较深的负反馈时,频宽、失真等指标不用说也是很好的(甚至有时候是要多好有多好),我们需要参考开环状态性能。对于胆机还可以从整机的方波特性上大致了解一二,电路设计如果是用深度负反馈,那么一定是输出变压器初级电感量小,否则用深度负反馈就会出现自激现象,不自激那么方波输出也会出现很多甚至很大的振铃。这样的输出变压器可以使用较小的体积,初级电感量不需要多大,比如经典的QUAD II、麦景图等,最终指标都会“很好”,但如果没有负反馈时,测量输出牛等指标可能会很差。
  关于输出方波特性,请看下面两个对比,大家应该都会异口同声说喜欢前者方波~第一图也是本机输出波形,因为没有环路反馈,只有-2.5dB的局部反馈,方波输出就直接反应输出牛(包括推动牛)的特性。假如价钱相同,每个人都会选择第一个方波表现的输出牛。但假如让您多支付一定的费用选购这个好的变压器,可能会有很多人有不同的想法了(大家都不会像我这样直观的明说,涉及到自身利益的时候,表面上会有很多“冠冕堂皇”的理由,但“隐私”也就是不明说的这个“利益”会决定选择权,然后再给自己的决定寻找各种理由)。我自己深知从实际设计制作上来讲,两者的确相差很多很多。,在实际听感上也有一定差异~当然,对于普通“听” “众”,可能“没多大”差别,或者没差别,或者会认为后者很好,因为便宜,心理上已经给后者增加了一些分数。假如您是一位懂得并善于听音的听友,肯定会喜欢前者那种自然的表现。当然,懂行的人单看方波特性,就可以了解整机的频响、失真等特性,您明白吗?
  
  以上这些都是基本的、简单的、人人都懂的道理,正因为如此,很多人会“不在意”,因为很简单,认为无所谓。就像人人都知道胆机的灵魂是输出牛,胆机的咽喉是输出牛,但人人都把精力财力用在了电阻电容或者其他上面,本末倒置其结果可想而知。基本的道理没人理,因为没有惊喜、没有刺激、没有。。。
  接着聊这部50管耳放,按照客户要求,这部耳放要配高端的音量遥控等,我参考高文的机器,用20个继电器和电阻,通过继电器切换,组成了1024级的步进音量控制,顺便又把输出阻抗转换也集成进去。这样可通过面板显示屏,直观的看到输出状态等。
 
  关于这部50耳放,下期做详细介绍,今天先到这里。

用户评论(共0条评论)

  • 暂时还没有任何用户评论
总计 0 个记录,共 1 页。 第一页 上一页 下一页 最末页
用户名: 匿名用户
E-mail:
评价等级:
评论内容:
验证码: captcha