当前位置: 首页 > 实用资料 > 白菜价GM-100超大胆的再制作

文章分类

浏览历史

白菜价GM-100超大胆的再制作
左增军 / 2025-06-13
  今天再提这个超级大胆GM-100,主要现在这管子的价格很亲民,也就相当于一颗便宜的300B,就可以拥有一个世界上最大且靓声的GM-100(自然散热直热三极管)!可以轻松的做出单端输出功率100-500W的胆机。这管子除了在音响上使用,基本无他用,所以那边当地这管子的价格也就白菜价,国际运费和包装费用却远超过管子成本。对于今天国内发烧友来说,白菜价的GM-100,岂不是比普通三极管香多了?
  DIY制作GM-100,说简单也很简单,就典型的三级放大的结构就可以。这管子增益很高,也算是很容易推动。假如喜欢,可以在0偏压下工作,这样管子完全工作在正偏状态,不用“左右”摇摆,看下图曲线。
  经过实际测试,在屏压1500V时,栅极接地屏流约250mA左右,此时屏极微红,屏耗1500*0.25大约375W,按照常规电路推动,单端输出不到100W。这个状态的GM-100内阻较高,效率低(暂时先不说实际听感如何,后面再提起),推动电压不高,但很吃电流,比833可厉害了。如果用阴极推动或MOS管驱动(也就是超三极管状态),可以输出一两百瓦。假如只为了追求输出功率,其实很简单。有国外的商品GM-100单端机,用6N6直耦推动,说单端输出170W的高功率,工作在低压状态。
  采用阴极输出或MOS管直耦推动或者说超三极管(Super Triode)状态,优点是可以提供GM-100栅极所需的较大的电流,可以输出更大的输出功率。但也有其缺点,大家根据自己的情况掌握。安全、稳妥、经典的方式是用推动牛,假如推动功率足够大,也可以输出较大的输出功率。大家不喜欢用牛推的关键是担心频宽问题~这都什么年代了,还担心频响宽度,找我试试推动牛效果就知道了。
  无论是采用阴极推动/MOS管直推,还是牛推GM-100,输出功率都跟屏压有明显的关系。也就是说就算同样的屏耗,比如屏压1500V、屏流200mA,与2000V/100状态相比,后者的不失真输出功率要比前者高出不少。我试验过1500-3600V屏压状态下各种对比,屏压3000V左右效果比较理想。但请注意,高电压引来的弊端也显而易见,尤其是南方,到了回南天,地面甚至墙壁都是水珠比如海南。这时候高压绝缘需要很好的处理,变压器最好封装,高压部分裸露点做好绝缘处理,当然,最好将机器置于通风干燥环境,甚至强制通风后再开机。
  最近因为“闲得没事儿干”,就再次拿起来鼓捣GM-100。“没事儿干”可以干点别的呀,天天鼓捣这个干嘛?前几天接到一个电话,看手机,屏幕上明显的标记着“诈骗电话”。反正闲的没事儿,我就接听了,先让对方说了几句后,我问对方:你的号码已经被标记为“诈骗电话”了,为何你还用这号码诈骗?对方说:我知道啊,但我上班就是干这个的,不打电话我干嘛?是啊,人家就是干这个的,我又犯不着劝他“从良”。
  每个人都有自己的专业或者擅长,甚至是自己赖以生活的“脊梁”,你做什么不做什么完全靠自己决定。这不,鼓捣GM-100,反正元器件、材料手头都有,再做一番更详尽的测试、实验也无妨。电源、输出变压器有现成实验用的大功率、多抽头的,方便各种调试测试。下面首先从高压电源说起:
  对于普通发烧友,我一般建议用晶体二极管桥式整流,主要因为简单省事虽然安全系数不高。限于目前整流管的耐压等级,用于1000VAC以上的整流二极管或整流桥比较少,1N5408耐压1000V,我去年做833单端,用4颗组成桥式整流用于1330VAC,也不保证绝对安全(串联保险管)。用1508、2510之类高压全桥倒是可以,国产杂牌的不建议用。
  这种三肯的2X062H、HVR-1之类的微波炉用的高压二极管,用起来相对安全一些,我做1500V以内的高压实验用的电路,用这个管很多年,还没损坏过,只是内阻较高。
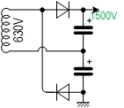
  我一般不建议用倍压整流,倍压整流优点是对高压牛的要求降低,可以采用较低的绕组电压,获得一倍或N倍的直流高压输出,对二极管耐压等级要求也降低。一般用二倍压就可以。倍压整流分半波倍压和全波倍压,由于负载电流比较大,最好用全波倍压方式,如下图:
  高压整流因为绕组电压较高,相对浪涌电流较大,所以跟电子管整流一样,第一级滤波电容也不能随意加大,否则烧毁整流管的不是电压而是电流。相比之下,晶体管的“耐受”能力很差,瞬时的过流就会烧毁,而且基本上都是短路,这就可能导致烧毁其他元件比如变压器。所以高压部分加装保险管是有必要的。但是加装的这个保险又导致高压裸露而带来一些负面影响,需要妥善处理。我在之前的《超级胆机王GM-100》文章中也聊过,晶体管整流,最好用单绕组全桥整流方式,这样对二极管耐压要求较低,变压器绕组也简单、容易制作,最好不要用全波整流,这样不仅二极管耐压翻翻,变压器绕组制作难度也增加一倍多,首先耐压高出一倍。而且要保证满足低纹波等电源特性,需要采用王字骨架(或达到这种效果的方式)绕制平衡对称的两个高压绕组,这样变压器窗口利用率又降低一些。
  对于高压胆机的电源整流,整流管可以串联应用,以获得高耐压要求,比如很多DIY友用2-4只5408串联组成全桥。二极管串联的方式,最好所用的二极管特性参数挑选一致的,首先压降可以用数字表简单测试出来。至于并联均压电阻,根据自己的爱好选择。并联小电容,理论上可以减小尖峰电压的冲击,实际使用根据自己身边环境定夺。
  相比之下,我还是建议大家采用“平衡对称双绕组电感”的方式,安全性会有一定的保障,我在去年的文章介绍是用于胆整流,同样也适合晶体管整流。只是桥式整流需要用2个相同的“平衡对称双绕组电感”。
  另外有一些成品机使用多段高压整流“串叠”而成,每一段大约300V多,这样整流后大约有400V多的直流电压,正好采用常见的400-450V耐压等级的电容,这种等级的电容,成本比高压电容低很多。这种结构虽然有其一定缺点,但灵活方便。想要多少高压,就串联多少段相同的整流电路就行。且安全性比较高,对所用整流管的一致性要求不高,也可以用简单的成品桥,制作上相对简单一些。注:这两张图片标注的电压,只是理论数值,实际当中会根据负载电流等参数上下浮动一点,主要取决于实际电容量大小、负载电流大小。
  任何事情有利也有弊,我看问题不仅看到好的一面,也要看其不足的一面,很多人只说好的一面,不足的不提或者自己也不知道,因为他的眼里只关注好的东西,其他的“不从大脑过”,属于“视而不见”,并非“故意隐瞒”。
  对于高压整流,我比较喜欢用汞胆866/872之类。866、866-A基本相同,是国外型号,同类管有866Jr(866的初级型号,无屏帽)、VT-46A(军工型号)、3B28、CV32、RG3-250A、2V/400A、GU12。典型参数是:灯丝消耗2.5V/5.5A,最大反峰电压2500-3500V,最大整流电流为250-500mA,不同型号会有所不同,但是基本都够用。唯3B28更好用,耐压较高、耐冲击电流较大。(注:本文部分图片来自网络,如有侵权请联系我立刻删除)
  866对应国产型号是EG1-0.3/8.5,国产型号很有意思,直接反映了应用参数,就是最大反峰电压8.5kV,整流电流最大0.3A。参数相比国外管子上弱了一些,寿命当然短一点。
  872也是国外型号,同类管872、CE-872A、ESU872、GL872A、RK872A、VT-42A(军工型号)、CV642、4064B、AH217等。额定反峰电压10kV,整流电流1.25A,最大5A。灯丝耗电较大:5V/7.5A,相当于两个845的灯丝耗电,这无疑是加重电源部分的成本和重量。而且,进口的872,在国外网站的价格是几百美元一只,成色不好的也要几十上百美元。
  872对应国产型号是EG1-1.25/10,也就是代表整流电流1.25A,电压10kV(70度高温后降到5kV)。相对来讲这个管子的参数就大了很多,用于833、GM-100高压整流,余量很足,发烧友正常使用个几年没问题。
  国产的866/872,原来有大量存货,价格很便宜,这几年几乎也没有多少了且价格上涨很多。我看中汞胆内阻非常低,符合高压胆机电源的特点,声音好听,且安全性较高,除了寿终正寝,一般不会像晶体二极管那样“脆弱”轻易损坏。只是因为寿命低,尤其是866,弄不好几百、上千小时就要更换,且需要预热才能工作(这一点是必须的,否则直接烧毁)。而且对于天气寒冷的北方,预热时间要再延长,而南方稍好一些。我从全面看问题,分析利弊:若要论声音好听,肯定要选866/872之类汞胆。对其缺点和不足,我做了多重改进,比如采用“平衡对称双绕组电感”串入汞胆后面,用时间继电器(一般需要8分钟延时,这种时间继电器也很便宜,十几块钱一个,很适合个人DIY)控制高压变压器的延迟接通,第一级滤波电容不大于1μF等保护措施,可以有效延长汞胆使用寿命,经客户反馈,872正常使用2-3年是没有问题的。这管很便宜,多备几只备用就可以了。有优点也有其缺点,看自己注重那一面。
汞胆是半波整流单二极管,一般用2个做全波整流。也可以4只组成桥式整流,优点是不仅降低了电源变压器的绕制要求,对汞胆的要求也降低了,可有效延长汞胆寿命。
  国外的U19(CV187、CV 1508、U23、10E/520)也是高压半波整流管,属于发烧友喜欢用的管子。最大反峰电压2500V,最大整流电流250mA,灯丝4V/3.3A。这些都不是汞胆,不需要延时供电,使用起来非常简便。
  国产的EI-0.1/30也不是汞胆,也是一个不错的选择,内阻比较高、抗冲击电流能力超强,寿命比866、872高一些(有客户的GM-70单端使用10多年没换过管子)。只是因为其内阻很高,很多人不喜欢用它。
  假如屏压在1500V左右,也可以考虑用805、211/845、甚至813之类廉价管做高压整流。有人可能说这些管子都不是整流二极管呀,咋用做高压整流呢?其实,三极、多极管不都是从二极管发展出来的吗?让它“返祖”也一样好用啊!况且这些国产管子有的很便宜,只要把除了阴极以外的其他极都接在阳极上、耐压足够、阴极放射电流足够就可以。这类管子方便好用,也不需要特意的高压延时,正常使用就可以。市场上国产管价格不高,成本不是问题,问题是你怎么考虑。
  以上这些高压整流管都是单二极管,不像5U4G之类内部是双二极管。全波整流需要2只,加上电子管灯丝耗电不容忽视,比如U19,4V/3.3A,866是2.5V/5A,这还算省电的,872是5V/6.75A,如果用805之类,则是10V/3.25A(以上都是管子手册给出的数据),这样就给整机增加一定的功率消耗,可能变得“笨重”,且成本要高,不利于胆机的“小型化”,“灵巧”就谈不上了。各有各的利弊,根据自己的要求选择。很多时候我们选择其一,然后会找出各种理由美化自己的选择,再找出未选项的种种缺点甚至“硬生”添加某些内容~阿Q精神就没必要了。
  还有,用胆整流,重要的问题是变压器需要有平衡对称双电压(耐压翻倍),否则性能将打折扣。这样变压器的体积重量又升高了。综合以上因素,用胆整流,除了声音好一些,其他都是“弊端”,所以很少人采用。有的也只是用一只整流胆串连在高压输出回路,做高压缓冲用,这样只是缓冲、延时输出高压,跟胆整流没有半毛钱关系。那位说,声音好听就得了,是什么不重要,搞技术的人太认真,那么多讲究干嘛?对于懂得人,这些道理一说就通,知道其中利弊。不懂得人,我说的对还是错,都是几个文字而已,或者都是“乱说”、“瞎说”。你这么说,人家还那么说呢,对错谁知道,都是瞎忽悠。
  我呢,思维模式并没有考虑读者您如何想,我只是按照我自己的想法,把自己脑子里的一些东西倒出来。搞音响,是为音乐服务的。乐者乐也,君子乐其道,小人乐其欲。我觉得这句话应该这样说:君子乐其本道,小人乐其欲道。因盗亦有道,故欲有欲道。君子务本,本立而道生,这是本道。这个东西本来应该怎么做就怎么做,假如都是按照“大众”需求,你想用什么电路、什么元件就想办法满足你,没有对错概念(诚然,我们的消费者有可能懂得比专业技术人员还要多,但可能只是少数,很多消费者关注的大多是一些表面的东东),如果一味的按照客户的需求出发,其实这就是欲道。包括过分的大数据推送,你看到的都是你喜欢的,慢慢的你就会沉迷于自我的圈子,被动的被自己束缚。每个人都行在自己的道上,只是道道不同罢了。君不见很多似是而非的东西被说的头头是道。
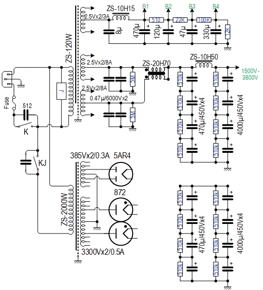
  回来接着说电源部分,我用872整流,第一级电容用两个0.47μF/6000V薄膜电容并联。为了安全,我用了双绕组平衡对称电感,接在872后面,这样可以绝对保证汞胆的安全,就算用866都完全可以。后面又用了Π型滤波,这样可以保证电源纹波系数满足要求。第一级滤波电容容量小一点,避免对汞胆872的潜在损坏。我就利用手头的470μF/450V的电容串联来满足实验条件,比如4个串联就等于470μF/4=总容量117.5μF,耐压450Vx4=1800V。8个串联就是470μF/8=58.75μF,耐压450Vx8=3600V。Π型滤波后面我用了相同的配置,担心电容量不足,用了2组并联,这样电容容量变为117.5x2=235μF(理论值)。(很简单,我就不上图了)
  接下来,GM-100用1500V,0栅压状态,大约屏流260mA,看到屏极有部分面积比较红。用2A3-40JJ(相当于300B)推动,推动牛的比值取1:0.5。此时最大不失真输出功率不到100W/8Ω。反复检查推动级2A3状态,并没有到达极限。后来改用6P3P(这个管子首先说便宜,手头有很多,做实验损坏了也不心疼)三极管状态阴极直耦推动(参考超三极管用法),负压用-220V左右,阴极电阻5.1k。这个时候,最大不失真输出功率可以达到150W左右。输出功率得到了明显提升,本来此时的GM-100就完全工作在正栅流状态,栅极能提供足够的栅流就可以导致GM-100屏流加大,令输出功率提高。
  因为是用1kHz连续信号测试,发现高压电压起伏较多,输出150W时,高压跌落到1400V内。这明显是内阻高导致的,问题在哪里?整流管872正常整流电流,手册给出输出1.25A电流这应该没问题,那就是滤波电容容量不够了。我试着再并联一组470μF/450Vx4,有改善但还不行。后来干脆就用大家伙,ROE金色电解电容,4000μF/450V,这样4个串联就是4000/4=1000μF,去掉原来的470μF/450Vx4。这家伙体积比较大,但是电源特性得到明显改善。最大功率输出状态电压几乎不跌落,且这次可以输出最大不失真160W以上的功率。这就证明电源电压的稳定还是很重要的,尤其是对于三极管功率输出。这里并没有给出因为电压跌落导致的、瞬变信号的交叉干扰失真等因素。
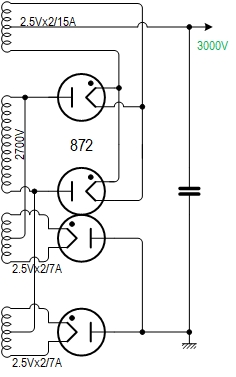
  大家可能注意到,我做实验用的高压变压器功率为2000W,高压绕组最大3300Vx2/0.5,可满足不同高压状态下的实验测试,是专门为GM-100做实验绕制的。有放心的电源做保障,感觉只要滤波电容足够,直流高压输出可以做到很稳定。输出功率在150W时,测得1500V上有400mA左右的电流(静态时为260mA)。当输出功率在160W以上时,直流高压又跌落较多,不能再实验下去,我需要再改电源供应。
  这里呢先说一下屏压不稳,对放大器性能包括声音的再现产生的影响。下面我用直观的、夸张的图片,显示当电压跌落后,信号的动态范围是如何压缩的:
  这里可以简单的理解为A3、A1的比值之大小,为音乐信号的动态范围。上图我们可以看到,因为大动态的音乐信号,导致屏压降低,然后输出的音乐信号的动态范围被压缩了。这个时候具体到听感上,起码我不喜欢。我喜欢真实、自然的音乐表现,动态起伏较大,会带来活灵活现的享受。但动态压缩或许也是一件“好事儿”,因为失去大信号的“直冲”、加上因此而出现的一些失真,声音变的柔和~脚软,或许有的人就喜欢,有的人可能在意,接受不了。
  说到这里,顺便再插一句:好的音乐,其瞬时变化的信号的动态范围是很宽的。还是用个不太恰当的、简单直观的方法说明,比如好的、自然音乐信号,前面信号的幅度为0.1V,现在可能是0.5V、1V甚至更高(信号宽度可能从零点几秒到几秒)。假如为了听的清楚,0.1V输入时的音量设定到1W,此时放大器的电压增益为28.3,0.1Vx28.3=2.83V,2.83²/8Ω≈1W。那么,在信号为0.5V时,输出功率为:0.5Vx28.3(放大器的电压增益不变)=14.15V,14.15²/8Ω≈25W。假如信号为1V时,1x28.3=28.3,28.3²/8Ω≈100W。这只是音乐信号从0.1-1V的变化,输出功率从1W变化到100W(虽然是短暂的、瞬时的,你也得出来的啊)。实际上早期好的唱片,音乐信号的变化范围是很宽的。比如《1812序曲》,其大炮的声音是非常考验音响设备的。一部好的胆机,无论是电路设计,还是推动牛、输出牛的搭配都要跟得上,不能按照静态的最大输出状态来设计。否则,输出的音乐动态就会受到压缩。就拿典型的300B纯甲类单端,连续输出功率为8W,假如是用来推耳机,或者推动高灵敏度的音箱在小面积的环境使用,平时音量只开到8-9点钟,或者说平时只用在输出功率的1W左右状态,那么输出牛的就用个头很小的单端牛就ok。如果平时用到输出功率在3-5W甚至7-8W,那么就需要使用较大的输出牛。否则,电路设计的再好,音乐信号“跳腾的再高”,也只能卡在“喉咙”内,出不来的。这就是为何有的胆机胆机听起来平平的(太平公主),有的胆机听起来推力很大(武功高深)。
 

用户评论(共0条评论)

  • 暂时还没有任何用户评论
总计 0 个记录,共 1 页。 第一页 上一页 下一页 最末页
用户名: 匿名用户
E-mail:
评价等级:
评论内容:
验证码: captcha